集中供液

时间:2021/7/19 14:58:03 关键词:工业废水处理 废水处理设备 蒸发器 三效蒸发器 油水分离器 集中供液  浏览量:218

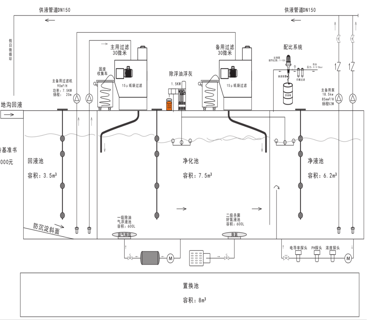
1) 预过滤:初步拦截过滤大颗粒杂质

2) 纸带过滤:自动走纸运行过滤杂质,过滤精度30μm;

3) 气浮装置:纳米气泡混合,分离液体中的细微杂质和悬浮油,油水分离的效果

4) 杀菌装置:多个臭氧杀菌装置,杀菌除臭,确保过滤后切削液品质,延长切削液使用寿命;

5) 曝气装置:将臭氧分子均匀扩散至水体中,杀菌除臭更彻底;

6) 精密过滤装置:增加液体过滤精度

对通过管路泵来的含有杂质的切削先进行一级沉淀槽沉淀过滤,而后进入到过滤液槽进行压力过滤,经过过滤的切削液由过滤泵泵入到供液管路而进入到CNC





本文网址:/html/ZXT-CS/718.html
栏目 产品 案例 联系